Содержание
Что такое диодный мост
Словосочетание «диодный мост» образуется от слова «диод«. Значит, диодный мост — это радиодеталь, которая состоит из диодов. Здесь очень важно то, как соединены эти диоды, иначе диодный мост превратится просто в кучку из диодов.
Диод на электрических схемах обозначается вот так.
Самый простой диодный мост состоит из 4 диодов, которые соединяются вот так.
Эта рисунок также является самой распространенным обозначением диодного моста на электрических схемах.
Упрощенный вариант выглядит вот так.
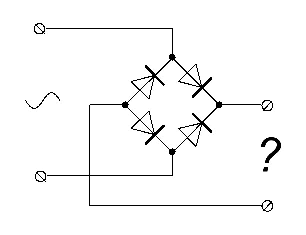
Можно увидеть на схемах даже что-то типа этого.
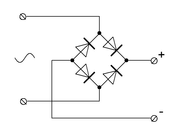
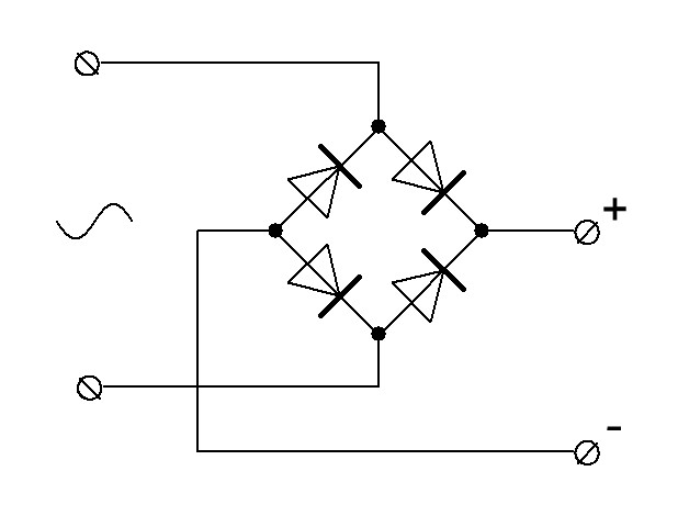
Для правильной эксплуатации диодного моста, мы должны его правильно подсоединить. Правильное подключение диодного моста выглядит таким образом.
Как вы видите, на вход диодного моста мы подаем переменное напряжение, а на выходе диодного моста снимаем постоянное напряжение. Отсюда можно сделать вывод:
Видео на тему: Что такое диодный мост:
Принцип работы диодного моста
Диод в цепи переменного напряжения
Итак, в статье про диод мы рассматривал, что будет на выходе диода, если подать на него переменный ток. Для этого мы даже собирали вот такую схему, где G — это синусоидальный генератор. С клемм X1 и X2 уже снимали сигнал.
Мы на диод подавали переменное напряжение.
А на выходе после диода получали уже вот такой сигнал.
То есть у нас получилось вот так.
Да, мы получили постоянный ток из переменного, но стоило ли это того? В этом случае у нас получился постоянный пульсирующий ток, где половина мощности сигнала была вообще вырезана.
Как работает диодный мост в теории
Как вы знаете, переменный ток меняет свое направление несколько раз в секунду. Поэтому, его можно разбить на положительные полуволны и отрицательные полуволны. Положительные полуволны я пометил красным, а отрицательные — синим.
Для того, чтобы диодный мост работал, ему нужна какая-либо нагрузка. Пусть это будет резистор. Следовательно, когда на диодный мост приходит положительная полуволна, протекание тока через него будет выглядеть вот так.
Как вы видите, при положительной полуволне не задействованы диоды, которые я показал штриховой линией.
После положительной полуволны приходит отрицательная полуволна, и в этом случае протекание тока в диодном мосте выглядит так.
В этом случае, диоды, которые работали при положительной полуволне, при отрицательной полуволне они отдыхают). Эстафету принимает на себя другая пара диодов. Можно даже сказать, что в диодном мосте они работают попарно. Одна пара диодов работает на положительную полуволну, а другая пара — на отрицательную.
Обратите внимание на нагрузку. На нее всегда приходит одна и та же полярность тока при любом стечении обстоятельств.
Работа диодного моста на практике
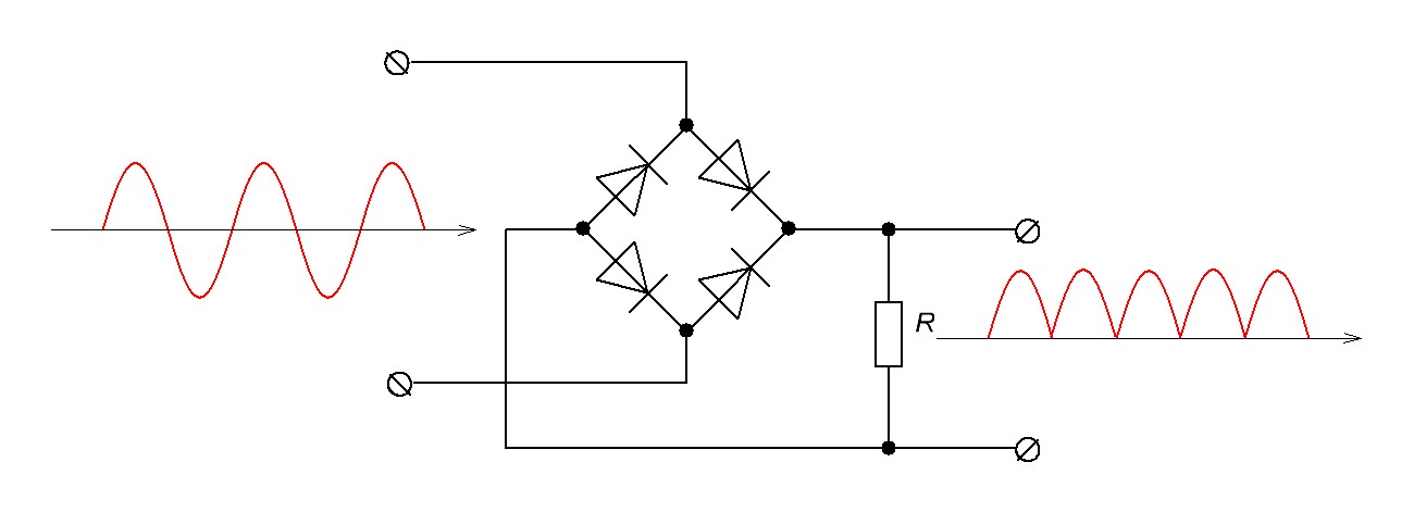
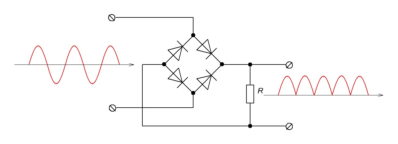
Давайте и мы посмотрим, что получается на выходе диодного моста, если подать на него переменное напряжение. Для этого возьмем 4 простых кремниевых диода и соединим их в диодный мост. Важно, чтобы диоды были одной марки.
На вход диодного моста будем подавать переменное напряжение, и посмотрим, что у нас получается на выходе.
Итак, на вход я подаю вот такой сигнал.
На выходе получаю постоянное пульсирующее напряжение.
Здесь мы видим, что отрицательная полуволна в диодном мосте не срезается, а превращается в положительную. Мощность сигнала при этом не теряется, так как отрицательная полуволна просто инвертируется в положительную полуволну. Ну разве не чудо?
Наблюдательный читатель также может заметить, что амплитуда сигнала чуть-чуть просела. Если мы на вход подавали синусоидальный сигнал с амплитудой в 6 Вольт, то на выходе диодного моста имеем чуть меньше 6 Вольт, а точнее где-то 4,8 Вольта. Почему так произошло? Дело все в том, что на кремниевом диоде падает напряжение 0,6-0,7 Вольт. Так как переменное напряжение проходит через 2 диода при каждой полуволне, то на каждом диоде падает по 0,6 Вольт. 2×0,6=1,2 Вольта. 6-1,2=4,8 Вольта.
Теперь можно с гордостью нарисовать рисунок.
Виды диодных мостов
Примерно так выглядит импортный и советский диодные мосты.
Например, на советском показаны контакты, на которые надо подавать переменное напряжение значком » ~ «, а контакты, с которых сниамем постоянное пульсирующее напряжение значком «+» и «-«.
Существует множество видов диодных мостов в разных корпусах.
Есть даже диодный мост для трехфазного напряжения.
Как вы могли заметить, такой трехфазный выпрямитель имеет пять выводов. Три вывода на фазы, а два другие — на постоянное напряжение.
Он собирается по так называемой схеме Ларионова и состоит из 6 диодов.
В основном трехфазные мосты используются в силовой электронике.
Характеристики диодного моста
Как мы уже с вами разобрали, в электронике встречаются диодные мосты в разных корпусах и имеют разные габариты.

Чтобы далеко не ходить, давайте рассмотрим диодный мост GBU6K и рассмотрим на его примере, как читать характеристики.
Для того, чтобы понять, что это за фрукт и с чем его едят, надо скачать на него техническое описание (даташит). Вот ссылка на этот диодный мост. Ниже рассмотрим основные характеристики диодного моста, которых будет достаточно для рядового электронщика.
Распиновка и корпус
Итак, на главной странице мы видим распиновку выводов. Распиновка — это какие выводы за что отвечают и как правильно их соединять с внешней цепью.
Как вы видите, на средний выводы подаем переменное напряжение, а с крайних выводов снимаем постоянное напряжение. Также на рисунке показано, как соединяются диоды в этом диодном мосте. Нам эта информация еще очень пригодится.
Чуть ниже мы видим вот такую табличку, которая показывает нам самые главные первичные характеристики.
Package — тип корпуса. Корпуса GBU выглядят вот так.
Максимальный ток
Итак, с этим разобрались. Далее следующий параметр. IF(AV) — максимальный ток, который может «протащить» через себя этот диодный мост. В даташите есть таблички и графики, какие условия должны соблюдаться, чтобы мост смог протащить через себя этот ток без вреда для своего здоровья.
Поэтому, диодные мосты в больших металлических корпусах способны «протащить» через себя очень большую силу тока. Если же маленький диодный мост вставить в какой-нибудь мощный блок питания, то скорее всего он просто-напросто сгорит.
В промышленности в силовой электронике стараются использовать диодные моста большой мощности, например, вот такой диодный мост может «протащить» через себя силу тока в 50 Ампер.
Максимальное пиковое обратное напряжение
Грубо говоря, это обратное напряжение диода. Если его превысить, то произойдет пробой и диоду, а следовательно и диодному мосту, придет «кирдык». Этому параметру также следует уделять внимание, когда вы будете выпрямлять сетевое напряжение. Если вы будете подавать на диодный мост 220 Вольт, то его пиковое значение будет составлять 310 Вольт (220 × √2). Так как у меня диодный мост GBU6K, то надо смотреть табличку ниже. Как вы видите, пиковое обратное напряжение диодов составляет 800 Вольт. Значит, такой диодный мост вполне подойдет для выпрямления сетевого напряжения.
Как проверить диодный мост
1-ый способ.
Как вы теперь знаете, однофазный диодный мост состоит из 4 диодов. Для того, чтобы узнать их расположение, мы должны скачать даташит на данный диод и посмотреть, как расположены диоды в данном диодном мосте. Например, для моего моста GBU6K диоды расположены вот так.
То есть все, что мне надо сделать — это просто прозвонить каждый диод с помощью мультиметра. Как это сделать, я писал еще в этой статье.
Второй способ.
Он же 100%. Но для этого потребуется осциллограф, ЛАТР или понижающий трансформатор, а также резистор, желательно 5-10 КОм. После того, как мы нашли его расположение выводов, на «+» и «-» припаиваем резистор 5-10 КОм. С этих же выводов снимаем осциллограмму.
То есть все должно выглядеть вот так.
Смотрим осциллограмму
Значит, диодный мост исправен.
Диодный мост генератора
Диодный мост генератора в автомобилях выпрямляет переменное напряжение, которое поступает от обмоток статора генератора. То есть грубо говоря, без диодного моста получается трехфазный мини-генератор.
Диодный мост генератора ВАЗ 2110
В этой статье будем рассматривать диодный мост от генератора ВАЗ 2110.
Он сделан по схеме Ларионова с некоторым дополнением в виде 3 дополнительных диодов.
Как проверить диодный мост генератора
Для проверки диодного моста генератора есть два способа.
Проверка с помощью лампы накаливания
Этот способ считается самым простым, и все его могут применить, так как под рукой всегда найдется аккумулятор и лампа на 12 В. Иначе откуда у вас автомобильный генератор?)
Предварительно лучше запаять или прикрепить к лампе два провода, чтобы было проще производить проверку. Итак, собираем наш прибор для проверки диодного моста генератора из лампы и аккумулятора вот по такой схеме.
Далее, все что нам надо сделать — это просто проверить каждый диод. Итак, вспоминаем, что диод в одном направлении проводит электрический ток, а в другом нет. Получается, нам надо в каждый диод «тыкнуться» два раза, чтобы узнать исправен ли он. Так мы и сделаем.
Вместо аккумулятора у меня будет лабораторный блок питания на 12 Вольт, что в принципе не играет никакой роли. Мой «прибор» для проверки диодов выглядит вот так.
Красные крокодил — это плюс от аккумулятора, в моем случае — от блока питания, а черный — это минус.
Поехали! У нас имеется 9 диодов. Начнем, пожалуй, с больших диодов-таблеток, которые вмонтированы в металлические пластины. Цепляюсь одним выводом-крокодилом к пластине, на которой вмонтирован один конец диода
а другим выводом, который идет от лампы накаливания касаюсь другого вывода диода и вуаля! Лампа зажглась!
Теперь надо обязательно поменять выводы наших проводов с самопального прибора местами и снова повторить это действие.
Как вы видите, наша лампа не горит, и это замечательно! Потому что мы сейчас только что убедились в том, что наш диод абсолютно здоров и готов выполнять свою задачу на 100%.
Таким же образом проверяем все диоды таблетки.
Маленькие черные диоды проверяются точь-в-точь таким же способом.
Меняем выводы и убеждаемся, что диод рабочий.
Правила:
1) Если лампочка не горит ни так ни сяк, значит диод неисправен.
2) Если лампочка горит и так и сяк, значит диод тоже неисправен.
3) Если лампочка горит, а при смене щупов не горит, значит диод исправен.
Проверка с помощью мультиметра
Не у всех есть такой замечательный прибор, как мультиметр, но он должен быть у каждого уважающего себя электрика и электронщика.
В каждом хорошем мультиметре есть функция прозвонки диодов. Как я уже говорил, наш автомобильный диодный мост будет исправен, если все его диоды будут исправны.
Берем в руки мультиметр и ставим его в режим прозвонки диодов.
И начинаем проверять все диоды друг за другом на исправность. В одном направлении диод должен показать значение от 0,4 и до 0,7 Вольт. В нашем случае 0,552 Вольта, что вполне приемлемо.
Далее меняем щупы местами и видим, что мультиметр показывает нам OL, что говорит нам о том, что превышен предел измерения. Значит, диод жив и здоров).
Таким же образом проверяем все оставшиеся диоды.
Похожие статьи по теме «диодный мост»
Автомобильное зарядное устройство
Как получить постоянное напряжение из переменного
Как проверить диод и светодиод мультиметром
























































