Содержание
Что такое диод Шоттки
Диод Шоттки относится к семейству диодов. Выглядит он почти также, как и его собратья, но есть небольшие отличия.
Простой диод выглядит на схемах вот так:

Стабилитрон уже обозначается, как диод с «кепочкой»

Диод Шоттки имеет две «кепочки»

Чтобы проще запомнить, можно добавить голову и ножки и представить себе человечка, танцующего ламбаду)
Обратное напряжение диода Шоттки
Итак, как вы помните, диод пропускает электрический ток только в одном направлении, а в другом направлении блокирует прохождение электрического тока до какого-то критического значения, называемым обратным напряжением диода.
Это значение можно найти в даташите

Для каждой марки диода оно разное
Если превысить это значение, то произойдет пробой, и диод выйдет из строя.
Падение напряжения на диоде Шоттки
Если же подать прямой ток на диод, то на диоде будет «оседать» напряжение. Это падение напряжения называется прямым падением напряжения на диоде. В даташитах обозначается как Vf , то есть Voltage drop.

Если пропустить через такой диод прямой ток, то мощность, которая будет на нем рассеиваться, будет определяться формулой:
где
P — мощность, Вт
Vf — прямое падение напряжение на диоде, В
I — сила тока через диод, А
Поэтому, одним из главных преимуществ диода Шоттки является то, что его прямое падение напряжения намного меньше, чем у простого диода. Следовательно, он будет меньше рассеивать тепло, или простым языком, меньше нагреваться.
Давайте рассмотрим один из примеров. Возьмем диод 1N4007. Его прямое падение напряжения составляет 0,83 Вольт, что типично для простого полупроводникового диода.

В настоящий момент через него проходит сила тока, равная 0,5 А. Давайте рассчитаем его рассеиваемую мощность в данный момент. P=0,83 x 0,5 = 0,415 Вт.
Если рассмотреть этот случай через тепловизор, то можно увидеть, что его температура корпуса составила 54,4 градуса по Цельсию.
Теперь давайте проведем тот же самый эксперимент с диодом Шоттки 1N5817. Как вы видите, его прямое падение напряжения составило примерно 0,35 В.

При прохождении силы тока через диод Шоттки в 0,5 А, мы получим рассеиваемую мощность P=0,5 x 0,35 = 0,175 Вт. При этом тепловизор нам покажет, что температура корпуса уже будет 38,2 градуса.
Следовательно, Шоттки намного эффективнее, чем простой полупроводниковый диод в плане пропускания через себя прямого тока, так как он обладает меньшим падением напряжения, а следовательно, меньше рассеивает тепло в окружающее пространство и меньше нагревается.
Прямое падение напряжения можно также посмотреть и в даташитах. Например, прямое падение напряжения на диоде Шоттки 1N5817 можно найти из графика зависимости прямого тока от падения напряжения на диоде Шоттки

В нашем случае если следовать графо-аналитическому способу, то мы как раз получаем значение 0,35 В
Диод Шоттки в ВЧ цепях
Также диоды Шоттки обладают быстрой скоростью переключения. Это значит, что мы можем использовать их в высокочастотных (ВЧ) цепях.
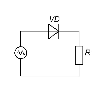
Итак, возьмем генератор частоты и выставим синус частотой в 60 Гц
Возьмем диод 1N4007 и диод Шоттки 1N5817. Подключим их по простой схеме однополупериодного выпрямителя
и будем снимать с них показания
Как вы видите, оба они прекрасно справляются со своей задачей по выпрямлению сигнала на частоте в 60 Гц.
Но что будет, если мы увеличим частоту до 300 кГц?
Ого! Диод Шоттки более-менее справляется со своей задачей, что нельзя сказать о простом диоде 1N4007. Простой диод не может справиться со своей задачей не пропускать обратный ток, поэтому на осциллограмме мы видим отрицательный выброс
Отсюда можно сделать вывод: диоды Шоттки рекомендуется использовать в ВЧ цепях.
Обратный ток утечки
Но раз уж диоды Шоттки такие крутые, то почему бы их не использовать везде? Почему мы до сих пор используем простые диоды?
Если мы подключим диод в обратном направлении, то он будет блокировать прохождение электрического тока. Это верно, но не совсем. Очень маленький ток все равно будет проходить через диод. В некоторых случаях это не принимают во внимание. Этот маленький ток называется обратным током утечки. На английский манер это звучит как reverse leakage current.
Он очень мал, но имеет место быть.
Проведем простой опыт. Возьмем лабораторный блок питания, выставим на нем 19 В и подадим это напряжение на диод в обратном направлении
Замеряем ток утечки

Как вы видите, его значение составляет 0,1 мкА.
Давайте теперь повторим этот же самый опыт с диодом Шоттки

Ого, уже почти 20 мкА! Ну да, в некоторых случаях это сущие копейки и ими можно пренебречь. Но есть схемы, где все-таки недопустим такой незначительный ток. Например, в схемах пикового детектора

В этом случае эти 20 мкА будут весьма значительны.
Но есть также еще один камень преткновения. С увеличением температуры обратный ток утечки возрастает в разы!

Поэтому, вы не можете использовать Шоттки везде в схемах.
Но и это еще не все. Обратное напряжение для диодов Шоттки в разы меньше, чем для простых выпрямительных диодов. Это можно также увидеть из даташита. Если для диода 1N4007 обратное напряжение составляет 1000 В
То для диода Шоттки 1N5817 это обратное напряжение уже будет составлять всего-то 20 В
Поэтому, если это напряжение превысит значение, которое описано в даташите, мы в итоге получим:
Применение диодов Шоттки
Диоды Шоттки находят достаточно широкое применение. Их можно найти везде, где требуется минимальное прямое падение напряжения, а также в цепях ВЧ. Чаще всего их можно увидеть в компьютерных блоках питания, а также в импульсных стабилизаторах напряжения.
Также эти диоды нашли применение в солнечных панелях, так как солнечные панели генерируют электрический ток только в светлое время суток. Чтобы в темное время суток не было обратного процесса потребления тока от аккумуляторов, в панели монтируют диоды Шоттки

В компьютерной технике чаще всего можно увидеть два диода в одном корпусе
Купить дешево можно на китайской площадке али по ссылке.
При написании данной статьи использовался материал с этого видео




































